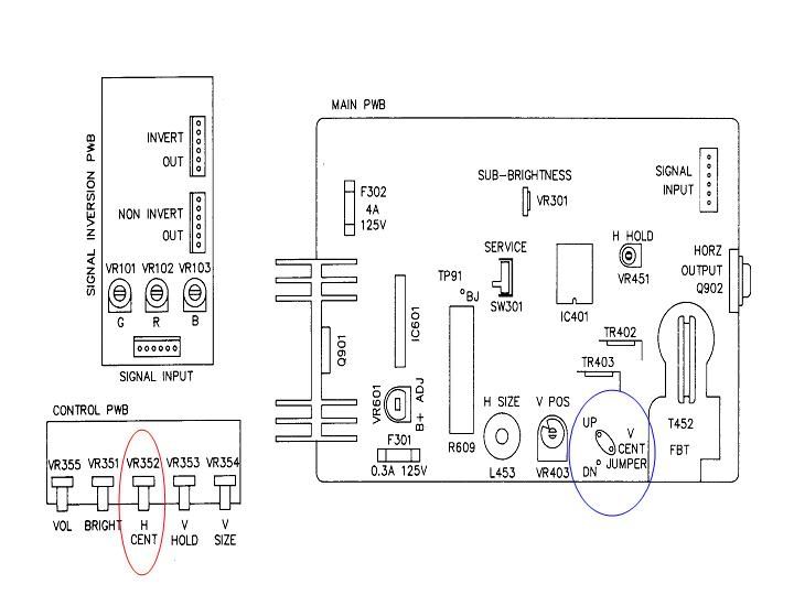
I m into mointor stuffs since. I couldnt find the simple b+ pot and can anybody shoot me where B+ pot shoudl be at.
K7000
SanyoEz20.
I had gotten some describe saying it s on the back and where?
Shoot me picture here and it would be helpful.
Thanks.
K7000
SanyoEz20.
I had gotten some describe saying it s on the back and where?
Shoot me picture here and it would be helpful.
Thanks.

