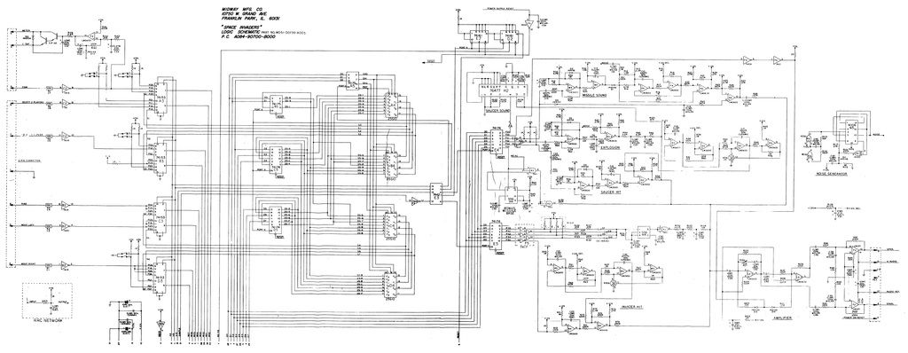
I'm trying to chase down all available versions of Space Invaders Schematics.
Below is what I have already.
I'm looking for any schematic not shown below or info sheets on troubleshooting, modifications, hacks etc.
Feel free to post here or PM me with a link if you prefer to share it privately.
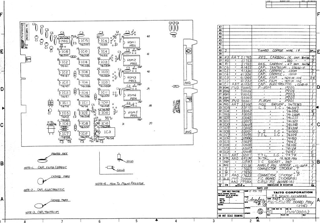
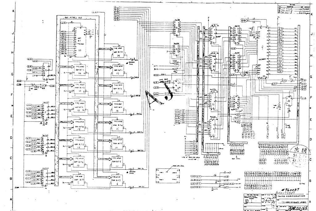
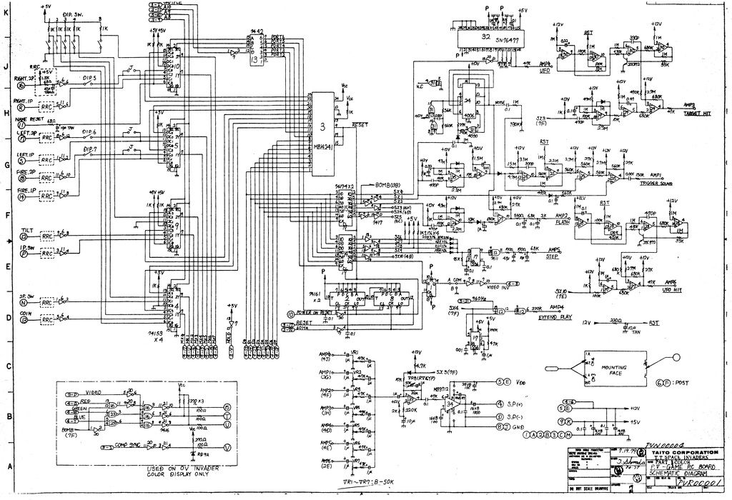
Taito Pt1 and Pt2 Colour 3-Layer PCB







Below is what I have already.
I'm looking for any schematic not shown below or info sheets on troubleshooting, modifications, hacks etc.
Feel free to post here or PM me with a link if you prefer to share it privately.
Taito Pt1 and Pt2 Colour 3-Layer PCB




























