bradp56
New member
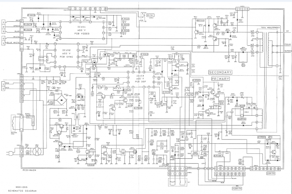
Can anyone tell me what type of transformer this is? It was on my chassis and it broke off. Also I have two exact Nanao Chassis and one has this transformer and the other one doesn't. The one that doesn't have this transformer works fine which is confusing to me as to why one works without it but the other one wont now that it broke off.
