Deadpool66
New member
Looking for someone to make me a special kick harness
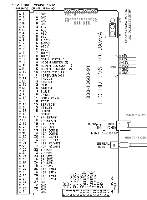
I thought I could use a cps2 harness and it wont fit doh! I've searched around and apparently you cant buy one. I don't have the tools to make one so I'm hoping someone could help me out. Here are pics of the board and pin out. the connector would go on the 14 pins in cn4
I thought I could use a cps2 harness and it wont fit doh! I've searched around and apparently you cant buy one. I don't have the tools to make one so I'm hoping someone could help me out. Here are pics of the board and pin out. the connector would go on the 14 pins in cn4