Centipede Audio Intermittent Start & Low -30v

Check your soldering. Check socket continuity to the pins/pads on PCB.
I've seen this issue before in other circuits ... even new sockets I've soldered. LOL :)
 
Okay I've checked and checked the soldering I don't know how many times over. I've metered all the connections and made sure the socket is installed correctly. FWIW nothing has changed since I added the socket. The original LM555 still works exactly as it did. I'm taking this out of the equation.

Out of all the metering and looking at all the sims the two things that stand out are:

1. Low 7v on the 555 output. I think it should be higher than that as per all the sims etc.
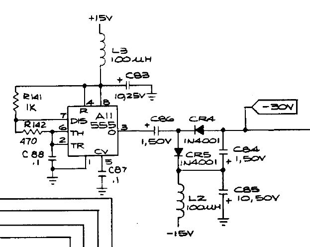
2. Pins 1GND and 2TR don't connect directly to GND or pin 6 as shown on the diagram. They do ohm out to ground at 30k which seems quite high.

I'm left answering two questions:

1. Why am I not getting -30v
2. Why so far have two new NE555's blown up on install.

Now I'm actually thinking about jumping the 555 pins 1 and 2 to ground or at least to pin 6 as per the diagram, am I crazy? Can I take this schematic that literally for my board?
 
Well I stuck in another NE555 but this time I grounded pins 1 and 2 as per the schematic. The voltage was at -26v which is much better than the 14 or so before with the NE555 and it didn't burn up either. The screen however was dancing all over the place and it wouldn't go into test mode, also the coin solenoids were clicking here and there. As soon as I disconnected the ground jumper the voltage dropped to -14 and the chip blew. Maybe they're not compatible.
 
Make sure you have the latest schematics. It sounds like you have an older revision.

In the DP-182 1st printing, pins 1 and 2 on the 555 are grounded. However on the 5th printing, pin 1 goes to ground, but pin 2 has a 0.1uF cap to ground (C88), and there are a couple of additional resistors.

Just search google for the right ones.
 
Great idea, just checked now and I have the older rev board, no extra stuff or C88. Maybe the this older revision board never actually went to -30v. Clearly there was some sort of an issue to warrant a revision.
 
What PCB version and rev do you have, and which printing of the schematics does it match?

Note the PCB version and rev are two pieces of info. The version is a dash plus a two-digit number, usually written in sharpie somewhere on the board, usually on the parts side, near where it has the PCB part number. It will be something like -01, -02, -03, etc.

The PCB layout rev is a capital letter in a square, roughly 1/2" square, printed on the PCB somewhere. It should read A, B, C, or D, etc.

You should still very carefully check to make sure the 555 circuit matches the correct schematics, for all pin connections (i.e., get the right schematics, and make sure all pins match the expected connections, with a DMM, not just visually).

The 2055 EAROMs used for score saving on all of these Atari boards are the same and all need roughly -28V to program. It can be a little higher or lower, but -26 is on the low end. The difference could be due to other components, but I can't say for certain, as I haven't actually measured many of these Centipedes, and can't say if the schematic changes matter either. (I know on vector PCBs, it's always -27 to -29V, unless something is wrong).
 
It appears that my board is the -01 version. Couldn't find the layout letter though.

My Sheet 1 schematics are 182-01 1st printing. Sheet 2 are 182-02 2nd Printing. They visually match my board from what I can see, the 555 section most certainly does for the exception of pins 1 and 2 not going directly to ground which doesn't match any schematic that I've seen. The other revisions that I can find in respect to the 555 section are either mine or the one you mentioned with the extra bits which mine certainly is not. I'll keep searching for different versions.

Incidentally I found a picture of when I first bought the game. It had a cap added to the 555. The game wasn't working so in the process I returned it all to stock and got it going and never put it back on. Curious if it was needed or if it was used to simply extend the program time or something.
 

Attachments

  • IMG_20171026_150314.jpg
    IMG_20171026_150314.jpg
    242.5 KB · Views: 7
  • 20140330_091218.jpg
    20140330_091218.jpg
    109.4 KB · Views: 13
That's a factory-added cap. Put it back on.

Atari did this with a lot of boards, particularly early-version boards, where they discovered errors in the layout, and/or improvements that were necessary, which then got formally added to the layout in later revisions (and the schematics updated). But components (usually caps and/or wires) were manually added at the factory, to patch the boards.

Those red CDE (Cornell-Dublier) brand caps are the ones often used for mods like this. It is very likely related to your issues.
 
Interesting that this Centi HS circuit is very different than the one I'm more familiar with (and which I simulated before):

Centi_HS_-30V.jpg
 
Yep that appears to be the newest revision, kinda wishing I had that version right now.

I stuck that cap back on as well as another that was on H3. Upon start up the -30v remained at -25.5ish and I had garble on the screen. I removed the cap on H3 and left the one on the 555 and screen was working again, game was playable but still have only -25.5ish on the -30v test point. So in the end sadly no change.

Was worth a shot.
 
Realistically, you should have a cap meter to check those caps. Does your DMM measure capacitance? You can at least check them for shorts, using the continuity function.

Can you post a pic of the cap on H3?

I'm curious as to why this circuit would be messing with the display. You must have a bad component or solder short somewhere. Check again to make sure all pins/ends of all components are connected to the places they are supposed to be according to the schematics, and are not shorted to the ground or +5V points.
 
I've attached a pic of how H3 was the day I got it. I can measure capacitance but stupidly I didn't do it. I can check that cap now though since it's out. With that cap in the screen behaved as if it was out of sync and test mode didn't work if that helps.

Just to be clear the game works fine for the exception of the low - 30v risk of games not saving. Before sticking it back in its hole however it would be nice for everything to be spot on. The original audio issue is in the new pokey test phase. I'm enjoying this though and learning lots so thank you guys for sticking with me.
 

Attachments

  • 2014-03-30 09.12.30.jpg
    2014-03-30 09.12.30.jpg
    570.2 KB · Views: 12
So looking at the schematics again, it looks like both of those caps are just meant for preventing glitching. We've seen these mods on other boards before (I forget which, but we discussed it in some other thread recently), where they didn't end up being added to the formal schematics, so it was likely they decided they weren't needed.

This is very likely the case for the H3 cap, which you can probably leave off with no issues. (If it is causing issues with the cap there, I'd suspect the cap being bad, as it's supposed to be 390pf, which is very small, and is only meant to filter out high frequency glitches.


For the 555 cap, that one looks to be connected between pins 2 and 4. Pin 4 is ground, and pin 2 is the '1V' signal, which is one of the timing signals (which is probably why your sync is getting screwed up). Again, I'd be suspicious of the caps first in these cases, if they are causing problems.

As for why you aren't getting the exact voltage, I'd next suspect the other components in the 555 circuit. Perhaps C84/85/86 are slightly out of spec. But again, you'd need a cap meter to check them, or just swap them out.

Or, perhaps CR4 or CR5 are marginal. They're just common 1N400x diodes, so you can try replacing those as well. That's about all there is to the circuit.
 
The cap that went across H3 isn't testing for me in any way, it may be toast.

I have a cap kit so maybe I'll throw that in just for fun and replace the diodes, the full on shotgun approach. I also have the single rom kit which I may as well put in.

I've left the 390 cap on the 555 for now, it didn't do any harm and if my voltage is going to stay low then maybe it'll help with stability.
 
I'm taking a good look at the caps on this board and you were right, they're all Nichicon and look to be in tip top shape. It would be a shame to change them out for no reason. I'm going to order some LM555's and try one out first. The low output of 7v is still bugging me, should be 15v I'm thinking. If the new LM555 behaves the same as the NE555 and blows up then I really have a problem.

Looking on eBay most are the newest board layout revision with the extra bits. I found my layout letter which is a "C". Most boards I've seen are "G" and "F". They all seem to be -01 boards though.

Maybe this is simply an inferior board layout and we're destined to battle this version forever, Atari changed it for a reason I suppose. I think I'll look for a decent new layout board as well and compare the two circuits just for fun.
 
Changing any parts that you don't know (or at least greatly suspect) to be the root cause, when trying to troubleshoot a problem only adds more uncertainty, and increases the chances of introducing new issues. Not advised. It's also not a ROM issue, so installing the single ROM kit isn't going to help (though that's a fine upgrade to do once you get the other issues straightened out).


What do you mean by, "The low output of 7v is still bugging me, should be 15v I'm thinking"?
 
Agree, that's why shotgunning has never been my fav thing to do. You also don't learn anything either if things get fixed.

The output off the 555 (pin 3) on my machine is only 7.29v. All the sims that I have built seem to have an output of 13.5 to 15v. There's a -15 coming into that end of the circuit so my thought was that there should be a +15 to get the -30v. Am I off base with this train of thought? I can't see how else that circuit would make -30v.
 
Okay so I replaced the original LM555 with a new LM555 (not a NE555) and it didn't blow like the NE555's did, clearly even though they're stated as being compatible they aren't in this circuit like you stated before.

The voltage however remained at -25.43v and it still had an output of +7.29v on pin 3. I think it's safe to rule out the 555 and blame the missing -5v on the circuit. If we agree that the output of the 555 should be higher than +7v and more like 15 then that isolates the issue before the 555 right? maybe the reset line or something. The voltage going in is at +15v where it should be but I'm not 100% on the idiosyncrasies of the 555 chip.
 
Okay so I replaced the original LM555 with a new LM555 (not a NE555) and it didn't blow like the NE555's did, clearly even though they're stated as being compatible they aren't in this circuit like you stated before.

Where did you get the NE555's?

You may have just gotten a batch of bad or marginal ones, especially if it wasn't from a major distributor like Digikey or Mouser, etc. Chinesium chips can be ok or not, depending on how fake they are, and how they're being used.
 
Back
Top Bottom