Can Anyone Build Jamma Adapters For These Boards...
Gorf/Wizard of Wor
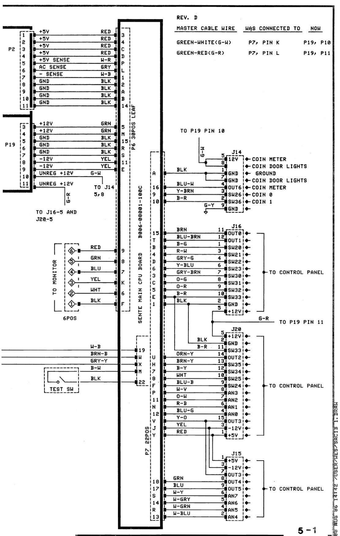
Bally Sente System
MCR 2 (Tron, Satan's Hollow, etc)
Q Bert
Need to test video only. Or sound too, maybe. Will pay $$. Send me a PM if interested.
Gorf/Wizard of Wor
Bally Sente System
MCR 2 (Tron, Satan's Hollow, etc)
Q Bert
Need to test video only. Or sound too, maybe. Will pay $$. Send me a PM if interested.

