Asteroids Playing Blind--DC Voltage Only from X/Y Outputs

joetechbob

Member
Joined
Oct 26, 2011
Messages
168
Reaction score
2
Location
Fargo, North Dakota
Asteroids Playing Blind--DC Voltage Only from X/Y Outputs

So, I'm kicking myself right now. I had repaired my cocktail Asteroid's game board and had it working great. However, last night I was tinkering with my A/R board and after having pulled the A/R board, closed the side door to my cabinet--thus closing the interlock switch. This caused the game to turn on without an A/R board installed, and run this way until about an hour ago (roughly 24 hours).

Much to my dismay tonight, I found that when firing the game back up with an A/R board installed the game only plays blind. Luckily, after swapping in my other working Asteroids board I found that the monitor appears to be ok. However, after taking the cocktail game board and installing it into my upright I found that it was basically just drawing a spot at roughly half-way between the center of the screen and the upper right corner (not sure why spot killer isn't kicking in).

I put the board back in the cocktail and measured roughly 0 VAC and 13-14VDC on the X & Y outputs. The good news is that the game does play blind.

I haven't really had to get deep into the vector generation circuitry on Asteroids on the first couple of board repairs I've done, but I suspect that the issue is related to a component(s) that receives unregulated power via 36 VAC (seeing as the A/R board wasn't present).

Anyone have any good tips for debugging this?
 
Always start back with the test menu, throw it in test and see if you get

a. bad 'ram' beeps

b. video on the screen


Believe it or not, a lot of times an Asteroids will play blind, but the video still comes up in the test mode and will sometimes tell you bad roms, etc.

So I'd check that first and see if you get anything. It might point you in the right direction.
 
Test mode was coming up blind as well. No memory beeps and a chirp is made on button presses.

Also--The watch dog never resets the game.
 
Voltage regulator 7915 is fried...

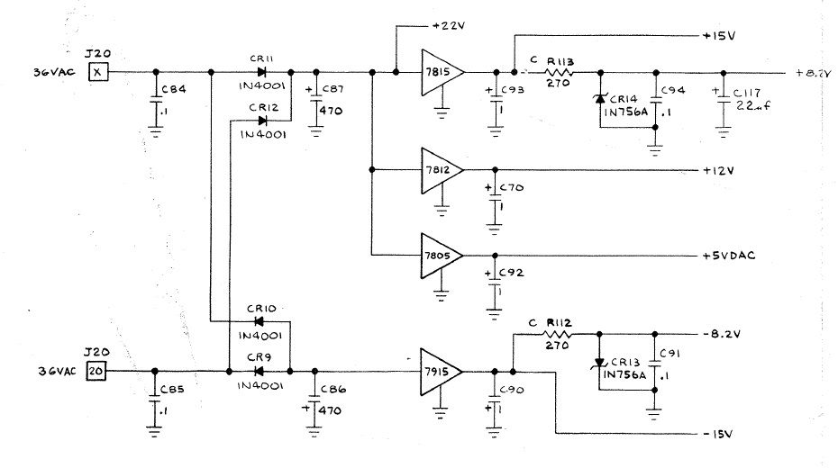
Looked over the schematic and decided to check and see if the DACs were getting the +5VDAC and -15VAC from the following on-game-board power supply:

AsteroidsGameboardPS.jpg


I found that I am missing -15VDC from voltage regulator 7915. There's a good input of -25VDC to the regulator (from the rectifier), so it would appear that the regulator is shot. I am getting (as indicated by the schematic) +5VDAC and +15VDC. I didn't see 7812 on my first pass, so I'll have to go double check that and make sure that I'm getting +12VDC as well.

Long story short, hopefully a simple replacement of voltage regulator 7915 is all I need. The funny thing is that I noticed on my other (working) Asteroids board that 7915 had also been replaced at some point. I wonder if 7915 was just ready to go and the heat/long run time just put it over the top...Regardless, I'm still a moron for leaving the thing on for 24 hours straight (fire anyone?) and my new policy is to completely unplug anything that I'm working on that isn't fully fixed and had a long burn-in test.
 
I've seen a bunch of those boards with 1 or both of those regulators replaced too. So maybe they go bad a lot! Order extras.

I think that's a very, very good idea :)

Should I go with this guy:

http://www.digikey.com/product-detail/en/NJM7915FA/NJM7915FA-ND/805807

Or maybe this guy (rated to 125 degrees Celsius):

http://www.digikey.com/product-detail/en/NJM7915FA/NJM7915FA-ND/805807

I wonder if it would be wise to toss some heat sinks on these guys, too?

Edit: Maybe this one would be best--up to 1.5amps at 125 degrees Celsius:

http://www.digikey.com/product-detail/en/L7915ACV-DG/497-12413-ND/2832893
 
Last edited:
I would go with higher rated, and some sort of heat sink. Those dudes get hot. I would also recommend replacing all electrolytic and tantalum caps in all those power circuits +-15 and +12
 
Back
Top Bottom