bit_slicer
New member
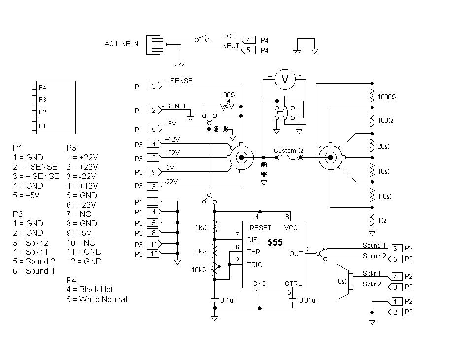
It still needs a couple of parts, and some sticker labels for the knobs and switches, but it's fully functional:
Follow along with the video below to see how to install our site as a web app on your home screen.
Note: This feature may not be available in some browsers.
Makes me want to build one of my own.
Great Job! I have a huge stack of ARII's I need to do something with.
-Tom
It still needs a couple of parts, and some sticker labels for the knobs and switches, but it's fully functional:
Nice job and I like the voltmeter addition. I did notice the "slight" rigging there on one of the connectors. Did you run out of connectors (doh)? Very nicely laid out and very usefull.
Just curious...what's the meter in your box for? Is it for reading voltage...a la, built in volt meter? Looks very good!
Edward
Nice work. I may have a few that I need looked at. Lemme know when you are up and running!
I have at least 20 of them to sell.
How much did you spend on materials on that thing?

Now what is the speacker for? Does it say "This board good"![]()
Dangerous indeed! Certain combinations of voltage and resistance should not mix on this thing. I need to make up a little crib sheet to remind me not to select +22V with 1 Ohm of resistance. That's about 480 Watts of dissipation!!!
Seriously tho, the AR-II has two audio amps. In the load box there's a signal generator (555) which drives the audio amps, and then the amplified audio goes back into the box and to the speaker. Also there's no current-limiting resistor in the return path, so itz reely loud!!![]()
Shoulf have tracked down a 2-pole rotary, so the load would change w/ the voltage selection...